JM150:04.01.AA0082X
*工作频率DC-110GHz
*相位和幅度稳定
*柔性同轴电缆
*接头连接处极小的弯曲半径
随着现代电子设备和通信系统的快速发展,对信号传输线缆的要求也越来越高。特别是在空间受限的场合,高性能、小空间安装的柔性同轴电缆显得尤为重要。
JM系列电缆采用了特殊的结构设计与先进的生产工艺三层屏蔽;使得电缆在全频段范围内有着优良的电气与机械性能指标,并具有很高的性价比。电气性能方面,信号传输率高达70%,并且还具有低损耗,屏蔽效率高等优点。机械性能方面,由于电缆采用扁带编织,使该款电缆有很强的抗扭能力。环境适应性好、耐用及超长的使用寿命。JM150电缆线径1.53mm,采用三层屏蔽的结构设计,其信号传输率高达70%,具有低损耗和高屏蔽效率的特点。这意味着在高频信号传输过程中,能够有效减少信号衰减和外界电磁干扰,确保信号传输的稳定性和可靠性。
另外,生产工艺配合独特的编织结构,使其具有很强的抗扭能力,能够在复杂环境中保持电缆的完整性和稳定性。同时,电缆的接头连接处具有极小的弯曲半径,便于在小空间内进行安装和布线。
还具有良好的环境适应性,其特殊的材料选择和结构设计,包括FEP护套材料,使得电缆能够在各种恶劣环境下正常工作,如高温、低温、潮湿等。此外,电缆的超长使用寿命也大大降低了更换和维护的成本。
安装注意事项:
● 选择合适的电缆类型
在安装前,需要根据具体的使用场景和需求,选择合适的电缆类型。重点关注电缆的频率范围、阻抗、损耗等参数,确保电缆能够满足实际需求。
● 确保连接的牢固性
连接的牢固性对于电缆的正常工作至关重要。在连接时,应注意连接器的质量和适配性,以及连接的牢固程度。同时,采用合适的连接工具和方法,确保连接的稳定性和可靠性。
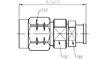
● 部分适配连接器尺寸图
(JM150-1M1M-0.6M实测报告)

感谢您对军友射频技术的关注及支持!
电话:021-69760391
邮箱:sales@juncoax.com
网址:www.juncoax.com
点击此行 查看往期