半柔同轴电缆:
现代通信向越来越高的传输频率和传输速率方向发展,要求通信信道传输的带宽更宽、传输的频率更高,在微波传输领域具有更低衰减和更好的屏蔽性能。同时,随着通信设备的小型化,要求电缆尺寸小型化并具有更好的机械性能,例如柔软性、弯曲成形性能和端接性能,以适应紧密布线系统的电缆铺设使用,为适应这种需求,半柔射频同轴电缆应运而生,近年来获得推广使用。
半柔同轴电缆兼有半刚同轴电缆优越的电性能和柔性同轴电缆柔软、易弯曲的特点。半柔电缆具有优秀的电性能和独特的机械优势,它的结构是基于标准的PTFE绝缘半刚同轴电缆的相同设计,但它采用浸(涂)锡编织屏蔽外导体,改善了半刚电缆铜管外导体不易弯曲、柔软性差的缺点,从而使它既具有半刚电缆优越的电气性能,又具有结构柔软,有良好的手工成形能力,它的弯曲半径小,便于包装、运输和安装等等一系列优点。
JSF086
04.02.AC00030

JSF086作为该系列代表性电缆,其外导体直径尺寸为2.17mm,带护套直径尺寸为2.6mm,通配常见连接器,最高工作频率DC-40GHz,具有稳定的电压驻波比与弯曲损耗,优良的屏蔽性能搭配手动可成型特点,结合其生产和使用的成本相对较低,已然是新一代性价比优选;
JSF086:K1=2.245 K2=0.00449其他任意频点衰减=K1*sqrt(fMHz)+K2*fMHz;dB/100m
常见适配连接器:


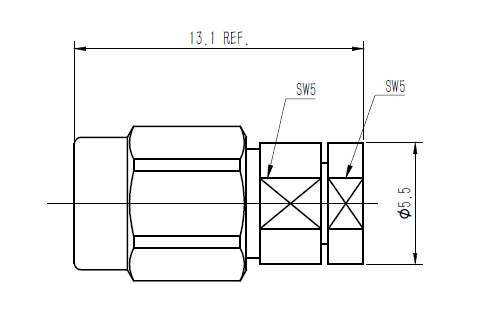
KM-ES-C-086

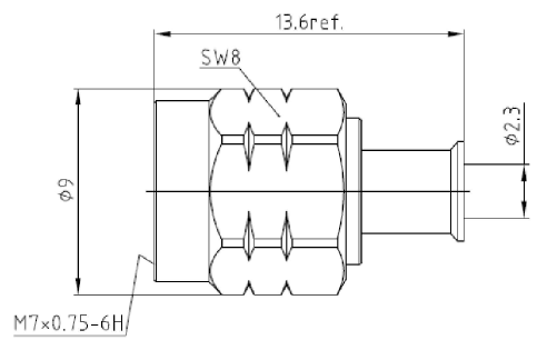
SSM-TS-S-086

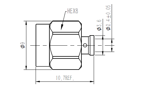
MSMPF-TS-B-086

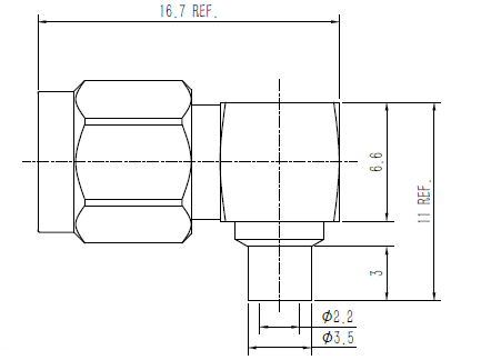
SM(RP)-TS-C-086

1023M-TS-C-086

测试报告
JSF086-SMSM-200MM
感谢您对军友射频技术的关注及支持!
电话:021-69760391
邮箱:sales@juncoax.com
网址:www.juncoax.com
点击此行 查看往期