服务热线
021-69760391
当前位置:
军友射频DC~5GHz 1500W 大功率旋转关节
来源: | 作者:juncoax2023new | 发布时间: 2025-07-29 | 466 次浏览 | 🔊 点击朗读正文 ❚❚ | 分享到:


军友射频DC~5GHz 1500W 大功率旋转关节


     

    军友射频推出的新型旋转关节保持了圆形法兰安装结构,优化了驻波和插损,插损损耗浮动<0.1dB,旋转寿命达百万次。该产品达到行业先进水平,实现了完全的国产化替代,可广泛适用于要求具备旋转功能的应用场景

    产品应用

l空中交通管制设备(ATC);

l应急通讯系统;

l卫星通讯系统;

l天气监测雷达;

l航空航天电子设备

图片

01.

性能指标


image.png


image.png


02.

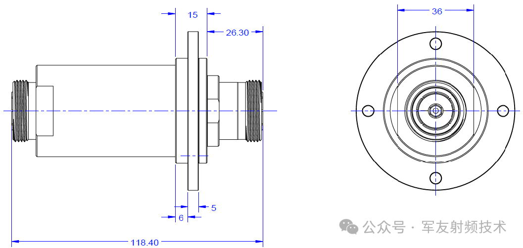
外形尺寸


image.png





感谢您对军友射频技术的关注及支持!
电话:021-69760391
邮箱:sales@juncoax.com
网址:www.juncoax.com
点击此行 查看往期


↓点击下方的阅读原文获取更多