服务热线
微信业务联
系
021-69760391
主页
关于我们
公司概况
企业文化
公司一角
产品中心
同轴电缆
电缆组件
测试电缆
射频电缆组件
半刚电缆组件
连接器
电缆连接器
PCB连接器
面板连接器
多通道连接器
转接器
系列间转接器
系列内转接器
Y型转接器
射频探针
微型开关探针
接插件探针
PCB探针
差分探针
汽车fakra探针
旋转关节
衰减器/负载
微波器件
隔直器
量子互连
量子互连隔直器
量子互连电缆组件
量子互连电缆
量子互连连接器
量子互连转接器
应用领域
雷达矩阵
轨道交通
海航运输
民营航天
测试测量
射频识别
新闻资讯
下载及技术服务
技术知识
选型指南
Q&A
下载中心
联系我们
售后服务
咨询服务
留言板
招聘信息
军友射频技术有限公司
Shanghai JunCoax RF
Technologies Co.,
ltd.
主页
∷
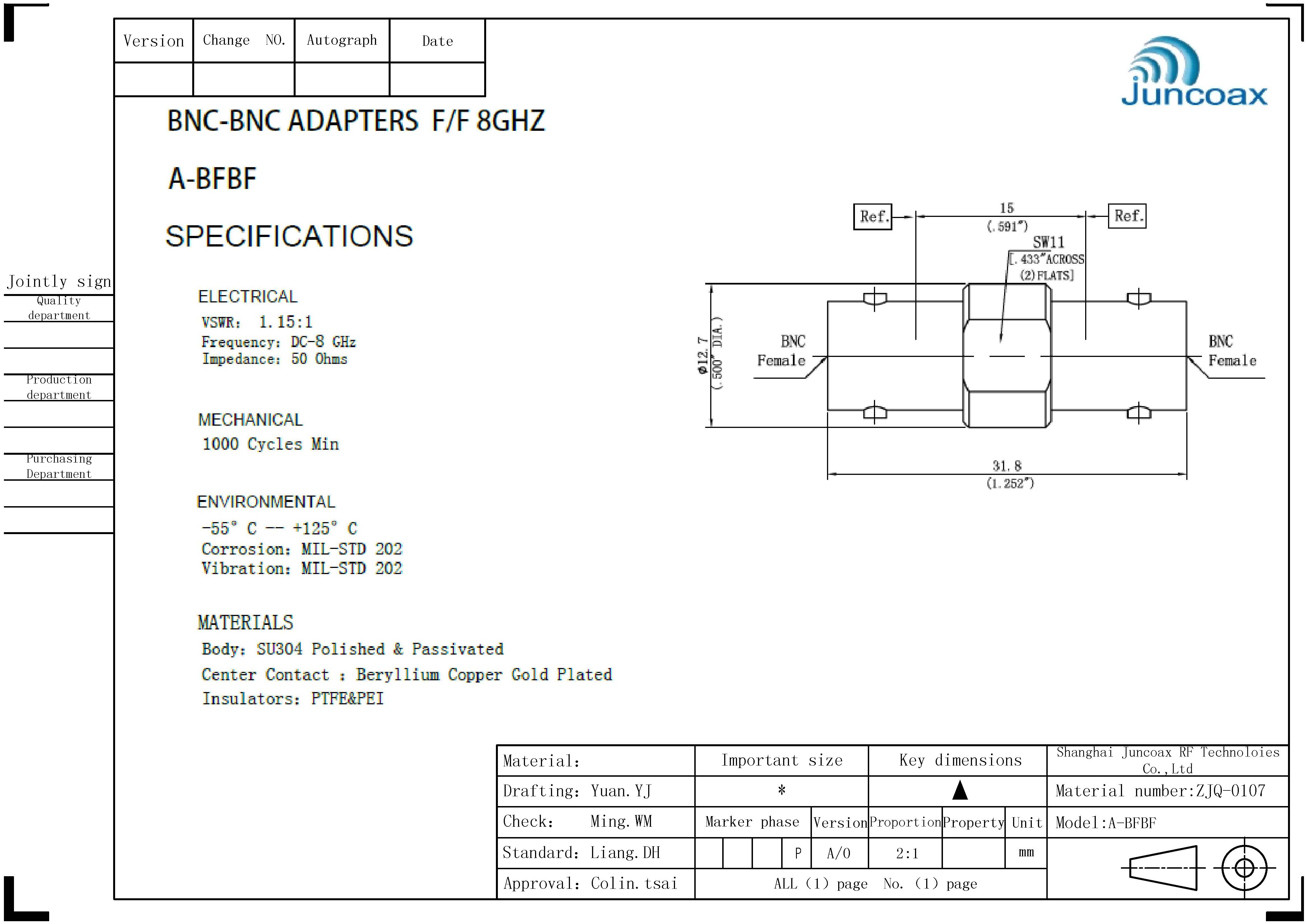
BF-BF-107 转接器规格书下载
当前位置:
NEWS
新闻资讯
BF-BF-107 转接器规格书下载
来源:
|
作者:
juncoax2018new
|
发布时间:
2019-06-05
|
1431
次浏览
|
🔊
点击朗读正文
❚❚
▶
|
分享到:
BF-BF-107 转接器规格书下载
上一篇:
BF-BM-108 ......
下一篇:
APC7-NM-10......
展会信息
研发信息
产品信息