JSF250
04.02.AC0064X
JSF250作为该系列标准款线径最粗的电缆,工作频率仍能高达DC-26.5GHz,结构由内导体、绝缘层、外导体、护套四部分由里向外同轴构成,其中外导体线直径6.30mm,所述外导体为单层镀锡铜丝缠绕后浸锡而成,FEP护套后线直径6.85mm,更粗的线径也决定了该电缆绝缘性能和安全性能更可靠。
电缆的主要特点有实用新型、损耗较低、生产成本较低、加工效率高、重量轻以及尺寸小等,从而极大可能取代或部分取代普通半柔线,从而形成新一代的低损耗低成本半柔射频同轴电缆,在移动通信基站、微波射频设备及他各种电子设备内部连线及延迟线等方面具有广泛的应用景。
部分适配连接器

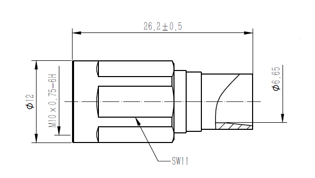
NEX10M-TS-C-250

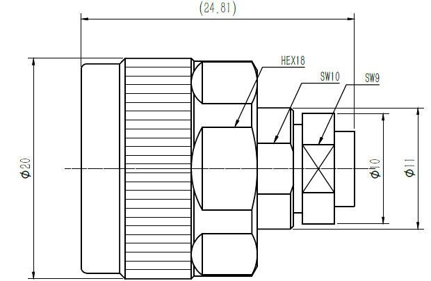
4310M-TP-C-250

NM-TS-S-250

SM-TS-S-250
测试报告
JSF250-SMNM-3M

选购与注意事项
JSF250电缆是一种具有出色电气性能和机械性能的电缆,适用于各种恶劣环境和应用场景。在选购和使用过程中,应关注其性能要求和使用注意事项,以确保电缆的稳定性和可靠性。
选购:
在选购JSF250电缆时,应关注其电气性能、机械性能以及使用环境等要求。
注意事项:
避免过度弯曲:JSF250电缆具有一定的柔性,但过度弯曲可能会损坏电缆内部的绝缘层和导体,从而影响其性能。
保持干燥:使用过程中应保持电缆的干燥和清洁,避免长时间暴露在潮湿环境。
定期检查:定期对JSF250电缆进行检查和维护,确保其性能稳定可靠。
随着通信技术的普及和军事通信技术的不断发展,JSF250电缆的市场需求将持续增长,其应用前景广阔。同时,随着新材料和新工艺的不断涌现,JSF250电缆的性能将进一步提升,应用范围也将不断扩大。
感谢您对军友射频技术的关注及支持!
电话:021-69760391
邮箱:sales@juncoax.com
网址:www.juncoax.com
点击此行 查看往期